ここから本文です。
苦情事例集 さつまいもの変色
最終更新日 2025年3月3日
1.概要
さつまいもを切ったところ、切り口の数箇所が白くなっていました。

変色したさつまいも

正常品の電子顕微鏡写真

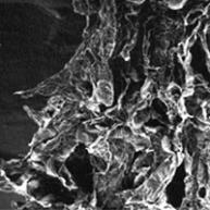
苦情品の電子顕微鏡写真
2.検査結果
- 外観:断面に2×3~5×7mm大の不定形の白色部分を認めました。
- 鏡検:白色部分は多孔質で組織が壊れた状態であり、正常な組織と異なりデンプン粒が抜けた細胞壁がみられました。
- ヨウ素デンプン反応:白色部分は紫色に染色しませんでした。
3.結論
サツマイモの組織が壊れ、すの入った状態のものと推定されました。
4.参考
サツマイモの保存には、13~15℃と湿度85%の条件が必要で、収穫前に霜にあてないこと、保存中に窒息させないように通風に注意が必要です。
2007年3月8日掲載
このページへのお問合せ
医療局衛生研究所理化学検査研究課
電話:045-370-9451
電話:045-370-9451
ファクス:045-370-8462
メールアドレス:ir-eiken@city.yokohama.lg.jp
ページID:393-827-231





